Graudu kodinātāji



Darbības princips graudu kodinātājam AGATA.
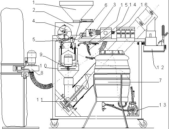
Sēkla, kura atrodas iebēršanas traukā (1), pēc darba spraugas atvēršanas ar sviru (3), krītot lejā griež dozējošā mehānisma (2) trumuli. Pie trumuļa ass ir piestiprināts dozējošs ritenis (4), kura lāpstiņas iegrimst vannītē (5) ar kodni. Griežoties dozējošam ritenim kodne nonāk uz rotācijas diska (9), kur tā tiek izsmidzināta. Kamerā (10) sajaucas krītošā sēkla un izsmidzinātā kodne. Kodinātā sēkla nobirst līdz šnekam (11), kur tā tiek pārjaukta un transportēta uz iepildīšanu maisos (12).
Kodne ar sūkņa palīdzību (13) no tvertnes (7) pa šļūteni (14) tiek padota uz sadalītāju (15), no kura pa vienu šļūteni (16) notiek kodnes maisīšana tvertnē (7), bet pa otru šļūteni nedaudz kodnes tiek padots uz vannīti(5). Kodnes devu regulē ar bultu (6). Darba ražīguma bezpakāpju regulēšana tiek veikta ar sviru(3).
|
|
| AL 50P |
|
|
| Amela |
|
|
| Hanka |
|
| Agata | AL 50P | Amela | Hanka |
| Darba ražīgums | 2 – 6 t/h | Līdz 1 t/h | 2 – 6 t/h | 3 – 15 t/h |
| Elektromotoru jauda | 1,35 kW | 1,37 kW | - | 1,37 kW |
| Svars | 150 kg | 105 kg | 750 kg | 220 kg |
| Gabarītizmēri – garums | 1500 mm | 1350 mm | 5870 mm | 1650 mm |
| platums | 700 mm | 500 mm | 2840 mm | 2600 mm |
| augstums | 1600 mm | 1350 mm | 2800 mm | 800 mm |
| Smidzinātāja tips | Rotācijas | Rotācijas | Rotācijas | Rotācijas |
| Darbības princips | Nepārtrauktas darbības | Porciju | Nepārtrauktas darbības | Nepārtrauktas darbības |
| Kodināšanas veids | Mitrais | Mitrais | Mitrais | Mitrais |
| Šķidruma tvertnes tilpums | 50 l | 2l | 50 l | - |


